и обязательно ли выдёргивать все преды ?почему?VitPan писал(а):Alemania
подскажите, пожалуйста, по пункту 8 вашего поста. как она ,эта розовая планка,отжимается?и обязательно ли выдёргивать все преды ?почему?
спасибо
VitPan писал(а):Здесь я был. Там показана правая сторона,поэтому спросил на счёт левой.В общем так же как и справа. А двигается она вся комплектом?
Отщелкивать аккуратно, легко коцается.О! Спасибо!Skang писал(а):Надпись "подушка" /airbag -это и есть заглушка, под которой и находится болтОтщелкивать аккуратно, легко коцается.




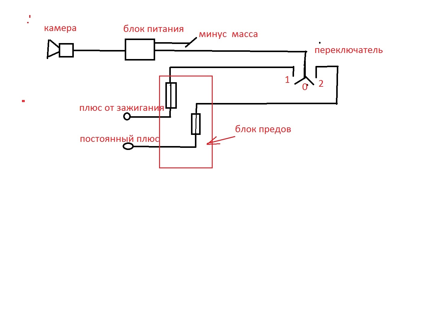
Beshenij писал(а):Тоже решил подключить регистратор по правильному.
Можно заказать пин 000979133e.
Или найти разъем подключения форсунки Калины. Получаем 2 пина всего за 55 руб.
Для того чтобы его вставить в блок предохранителей, нужно розовую штучку с задней стороны блока сдвинуть вниз, отщелкнув при этом защелку(в кружке 2). Без этого вставить не получится.Когда вставили обратно нужно защелкнуть розовый держатель вверх. Выбрал 11 пред, он от зажигания.
Собираем провода и аккуратно все крепим.
Не забудьте купить набор торексов, чтобы открутить саморез за заглушкой Airbag на стойке.

фольцмэн писал(а):на номер 1 цепляем плюс от блока регика..минус на торкс...а 3 и 4 чё такое?

Beshenij писал(а):1-это куда вставляем плюсовой пин от регистратора.
2- это защелка.

. Встают как родные - сегодня проверил.Сейчас этот форум просматривают: нет зарегистрированных пользователей и гости: 14