Volkswagen Passat B6 club

Клуб владельцев Фольксваген Пассат Б6         Клубные рамки

Электрика на фаркоп

Электрика на фаркоп

Сообщение Bond718 » 18 ноя 2015, 17:02

Всем привет. Ребята подскажите как подключить розетку фаркопа?
Passat Variant B6 2.0TDI 4motion 140л.с BKP.2007 Oo w оO

Изображение

купить конструктор brick
Bond718
Частый гость
 
Автор темы
Сообщения: 70
Зарегистрирован: 27 сен 2015, 08:46
Откуда: Сургут

Re: Электрика на фаркоп

Сообщение Bond718 » 19 ноя 2015, 20:54

Bond718 писал(а):Всем привет. Ребята подскажите как подключить розетку фаркопа?

Ап
Ребят что никто не подскажет, как споять блок согласования, или у кого в гараже валяется без надобности.
Passat Variant B6 2.0TDI 4motion 140л.с BKP.2007 Oo w оO

Изображение

купить конструктор brick
Bond718
Частый гость
 
Автор темы
Сообщения: 70
Зарегистрирован: 27 сен 2015, 08:46
Откуда: Сургут

Re: Электрика на фаркоп

Сообщение boroda II » 21 ноя 2015, 19:42

Bond718 писал(а):
Bond718 писал(а):Всем привет. Ребята подскажите как подключить розетку фаркопа?

Ап
Ребят что никто не подскажет, как споять блок согласования, или у кого в гараже валяется без надобности.

Как спаять не знаю и не подскажу.
Но вот Bosal продает такие блоки.
БЛОК СОГЛАСОВАНИЯ (УНИВЕРСАЛЬНЫЙ) BOSAL (СМАРТ - КОННЕКТ) 022-007

Либо Unikit2 для фаркопа Baltex
B6 Variant 1.8 BZB AT6 2008 Highline
В6 Variant 2.0 BVY MT6 2006 Comfortline
<<Oo w oO>> Hella Black Zorro
Аватара пользователя
boroda II
Почетный мембер
 
Сообщения: 2757
Зарегистрирован: 06 май 2015, 20:44
Откуда: Санкт-Петербург

Re: Электрика на фаркоп

Сообщение vetalbon » 19 дек 2015, 21:02

Я покупал фаркоп на http://www.mnogofarkopov.ru/ в полностью укомплектованный . Ничего подключать не надо было
Может быть вам просто какие детали не прислали ?.
Последний раз редактировалось vetalbon 09 янв 2016, 13:47, всего редактировалось 1 раз.
Аватара пользователя
vetalbon
Забанен
 
Сообщения: 134
Зарегистрирован: 05 июл 2014, 16:47

Re: Электрика на фаркоп

Сообщение Варэлик » 20 дек 2015, 16:34

Лови.
img03340.jpg
Варэлик
Местный
 
Сообщения: 154
Зарегистрирован: 06 окт 2014, 21:13
Откуда: Брянск

Re: Электрика на фаркоп

Сообщение Bond718 » 21 дек 2015, 19:13

Спасибо. Буду пробовать паять.
Passat Variant B6 2.0TDI 4motion 140л.с BKP.2007 Oo w оO

Изображение

купить конструктор brick
Bond718
Частый гость
 
Автор темы
Сообщения: 70
Зарегистрирован: 27 сен 2015, 08:46
Откуда: Сургут

Re: Электрика на фаркоп

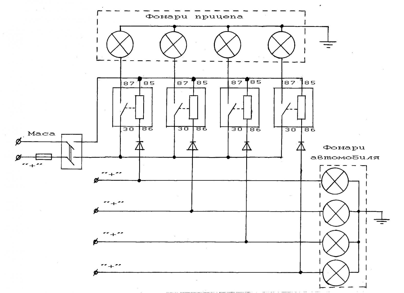
Сообщение boroda II » 22 дек 2015, 10:10

http://sxem.org/2-vse-stati/raznoe/28-samodelki/177-adapter-dlya-elektricheskogo-podklyucheniya-pritsepa-k-avtomobilyu

Более продвинутая схема для любителей паять и не желающих слушать щелканье реле.

| +
Изображение
Изображение
B6 Variant 1.8 BZB AT6 2008 Highline
В6 Variant 2.0 BVY MT6 2006 Comfortline
<<Oo w oO>> Hella Black Zorro
Аватара пользователя
boroda II
Почетный мембер
 
Сообщения: 2757
Зарегистрирован: 06 май 2015, 20:44
Откуда: Санкт-Петербург


Вернуться в Тюнинг и Стайлинг

Кто сейчас на конференции

Сейчас этот форум просматривают: нет зарегистрированных пользователей и гости: 10

Яндекс цитирования
© 2009-2022 Volkswagen Passat B6 club - Клуб любителей Фольксваген Пассат Б6.
Размещение рекламы/письмо админу: info [собака] b6club [точка] ru