Volkswagen Passat B6 club

Клуб владельцев Фольксваген Пассат Б6         Клубные рамки

Pandect Slave режим

Pandect Slave режим

Сообщение borin » 07 окт 2016, 13:13

Добрый день!

Планирую установить сигнализацию серии pandect на passat b6 2010г, комплектация трендлаин. Хотелось бы защититься от сканирования штатного ключа. Схему вижу такую: у данной сигнализации есть таймерные каналы, которым можно прописать свою логику, т.е. прописать так, чтоб при подходе к авто с меткой, активируется таймерный канал, релюха активирует RF модуль и появляется возможность работы штатного ключа. Без метки RF модуль будет заблокирован и даже если ключ со сканируют, то без метки мошенникам это ни как не поможет.

Подскажите где в пассате располагается RF для штатного брелка?

PS. Заранее спасибо за помощь.
borin
Новичок
 
Автор темы
Сообщения: 19
Зарегистрирован: 12 фев 2016, 07:18

Re: Pandect Slave режим

Сообщение Alescka05-84 » 07 окт 2016, 13:55

Зачем так заморачиваться), пассаты не пользуются популярностью у угонщиков).
VW Passat B6 2.0TFSI 2008г. 240 hp.
Аватара пользователя
Alescka05-84
Бывалый
 
Сообщения: 791
Зарегистрирован: 25 мар 2012, 21:08
Откуда: Москва

Re: Pandect Slave режим

Сообщение Alemania » 07 окт 2016, 14:34

borin
Хотелось бы защититься от сканирования штатного ключа.

С какой целью ? От попадания в салон ?
Сейчас двери не вскрывают. Просто херачат боковые стекла.

Чтобы не угнали ?
Без ключа не угонят. Увезти на погрузчике можно что угодно.

Получить гемор с попаданием самого себя в салон - запросто.
(тел. +7(982)1O2-4O-7O ) Passat B6 DSG7 1.8TSi ComfortLine 2010г
Alemania
Почетный мембер
 
Сообщения: 4382
Зарегистрирован: 12 авг 2012, 10:31
Откуда: Магнитогорск

Re: Pandect Slave режим

Сообщение borin » 07 окт 2016, 14:56

Alemania писал(а):borin
Хотелось бы защититься от сканирования штатного ключа.

С какой целью ? От попадания в салон ?
Сейчас двери не вскрывают. Просто херачат боковые стекла.

Чтобы не угнали ?
Без ключа не угонят. Увезти на погрузчике можно что угодно.

Получить гемор с попаданием самого себя в салон - запросто.

От попадания в салон, разбить окно это шумное занятие и не все станут заморачиваться, а вот сканером заполучить ключик запросто и потом не привлекая внимая попасть в салон. Опять же открыть багажник, все что угодно. Сигнализация планируется в режиме slave => она тоже будет выключаться при открытии штатным ключом.
На счет угона, да уже весь интернет перечитал, пассат не плохо защищен от угона штатным иммобилайзером, а автозапуск от предыдущего владельца я уже вырезал. Осталось поставить новую сигналку. Вот и хотелось заморочиться с блокировкой RF-антенны.
borin
Новичок
 
Автор темы
Сообщения: 19
Зарегистрирован: 12 фев 2016, 07:18

Re: Pandect Slave режим

Сообщение N1TRO » 12 окт 2016, 23:47

borin писал(а):От попадания в салон, разбить окно это шумное занятие и не все станут заморачиваться



https://www.youtube.com/watch?v=9ky8EMILvjQ
Passat B6 Variant 2.0 FSI BLY+Aisin 09G Highline+2: R-Line,PLA 1.5,Premium Color 300, RNS-510,Bluetoth,BCM PQ-47,БК 3АА,Air Vent B7, FLA,RDKS, Оо w оО и куча ништяков.
Аватара пользователя
N1TRO
Почетный мембер
 
Сообщения: 1003
Зарегистрирован: 05 авг 2012, 09:36
Откуда: город-герой Москва ЮВАО "Рязанка"

Re: Pandect Slave режим

Сообщение demainst » 13 окт 2016, 00:22

borin писал(а):От попадания в салон, разбить окно это шумное занятие и не все станут заморачиваться, а вот сканером заполучить ключик запросто и потом не привлекая внимая попасть в салон. Опять же открыть багажник, все что угодно. Сигнализация планируется в режиме slave => она тоже будет выключаться при открытии штатным ключом.
На счет угона, да уже весь интернет перечитал, пассат не плохо защищен от угона штатным иммобилайзером, а автозапуск от предыдущего владельца я уже вырезал. Осталось поставить новую сигналку. Вот и хотелось заморочиться с блокировкой RF-антенны.

Как раз наоборот. Никто не будет со сканерами заморачиваться, а вот вынести стекло кирпичом - это запросто.
Делов на несколько секунд. На орущие сирены всем давно нас.. наплевать.
Даже если у воров будет точная наводка, что вы оставили в машине мешок с брюликами или чемодан с евриками, все равно им проще выбить в машине стекло или вам зубы и забрать то что им нужно.
Незаметно проникнуть в салон, это возможно, если вам кто-то сильно захочет крупно насолить - подкинуть наркотики или что-то подобное. Или наоборот, что-то незаметно для вас посмотреть и положить на место.
Ну это вообще из области кино про шпионов.
Хотите дистанционно контролировать машину - ставьте любую сигналку с обратной связью (радио, GSM - на ваш вкус), подключайте датчик удара и датчик движения и все. Никаких сирен, никакой связи со штатными системами машины, только питание. Этого более чем достаточно. Все остальное - это лишние деньги и возможный в дальнейшем гимор.
viewtopic.php?f=37&t=21660
2008, Хай, 1.8ТА, Би-ксенон, Паркассист, RCD-510,
2013 Passat Alltrack, 2.0TA, Bi-Xenon, R-line steering wheel, электробагажник, RNS-510, BT
Аватара пользователя
demainst
Почетный мембер
 
Сообщения: 5792
Зарегистрирован: 30 апр 2010, 00:50
Откуда: Москва, ЮАО

Re: Pandect Slave режим

Сообщение SyntAcc » 20 дек 2016, 19:52

По всей видимости необходимо добраться до центрального блока управления комфортом J393, он в том числе отвечает за доступ, находится за бардачком
j393_3.JPG
Расположение блока J393

И на самом блоке смотреть разъем T18c
j393.JPG
Распиновка блока

j393_2.JPG
Описание

j393_4.JPG
Назначение разъемов


Но только поможет ли это если в водительской двери есть физическая личинка которую могут провернуть отмычкой?
VW Passat B6 2.0TDI 4MOTION, BKP, МКПП, Highline.
SyntAcc
Новичок
 
Сообщения: 16
Зарегистрирован: 13 апр 2015, 07:45
Откуда: Челябинск

Re: Pandect Slave режим

Сообщение fargo » 20 дек 2016, 20:32

а кто сказал про кесси? :)
а по теме - нет смысла так заморачиватся. у кого бесключевой доступ - да было бы неплохо
Passat B6 2,0FSI(BVY) 150л.с. 2007г.в., HIGHLINE
Аватара пользователя
fargo
Бывалый
 
Сообщения: 602
Зарегистрирован: 17 мар 2015, 23:32
Откуда: Казань

Re: Pandect Slave режим

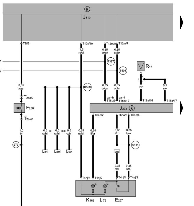
Сообщение SyntAcc » 21 дек 2016, 10:47

Дык вообще вводных не было :D
Но тем не менее, в любом случае за радиообмен отвечает блок J393, просто фишка соседняя, не T18c, а T18a
J393 схема.JPG
J393

J393 обозначени.JPG
Назначение выводов
J393 обозначени.JPG (82.86 Кб) Просмотров: 15505

j393_4.JPG
Разъемы

Идея конечно интересная, но полезнее внедрить блокировку внутри ЭБУ мотора и защитить его от подмены, если есть желание заморочиться. Ваши мнения?
VW Passat B6 2.0TDI 4MOTION, BKP, МКПП, Highline.
SyntAcc
Новичок
 
Сообщения: 16
Зарегистрирован: 13 апр 2015, 07:45
Откуда: Челябинск

Re: Pandect Slave режим

Сообщение borin » 21 дек 2016, 11:28

Добрый день!
Спасибо! За описание блоков, но на сегодняшний день, меня убедили не заниматься этим, поэтому купленная сигнализация была подключена к can шине в режиме slave, без блокировки радиоканала. Не у каждого любителя ведь есть граббер ключей пассата :D
Автозапуск ставить не стал, чип из машины убрал.
borin
Новичок
 
Автор темы
Сообщения: 19
Зарегистрирован: 12 фев 2016, 07:18

Re: Pandect Slave режим

Сообщение andrey_als76 » 08 дек 2017, 15:13

ошибаетесь что нет граббера ключей. мою машину в харькове (Украина) сегодня открыли грабером багажник и стащили новый ноутбук. кнопка открытия багажника не работала пока не снял всю машину с охраны. меня небыло возле машины около 2 минут. я так понимаю на всю процедуру ушли секунды.
код грабер на passat b6 b7 существует с 01.2017.
такчто надо ставить имобилайзер и обязательно разрывать радиоканал
andrey_als76
Новичок
 
Сообщения: 1
Зарегистрирован: 08 дек 2017, 15:08

Re: Pandect Slave режим

Сообщение demainst » 12 дек 2017, 00:46

andrey_als76 писал(а):ошибаетесь что нет граббера ключей. мою машину в харькове (Украина) сегодня открыли грабером багажник и стащили новый ноутбук. кнопка открытия багажника не работала пока не снял всю машину с охраны. меня небыло возле машины около 2 минут. я так понимаю на всю процедуру ушли секунды.
код грабер на passat b6 b7 существует с 01.2017.
такчто надо ставить имобилайзер и обязательно разрывать радиоканал


Имобилайзер Пассата и так хорош, не надо его трогать.
viewtopic.php?f=37&t=21660
2008, Хай, 1.8ТА, Би-ксенон, Паркассист, RCD-510,
2013 Passat Alltrack, 2.0TA, Bi-Xenon, R-line steering wheel, электробагажник, RNS-510, BT
Аватара пользователя
demainst
Почетный мембер
 
Сообщения: 5792
Зарегистрирован: 30 апр 2010, 00:50
Откуда: Москва, ЮАО


Вернуться в Защита от угона

Кто сейчас на конференции

Сейчас этот форум просматривают: нет зарегистрированных пользователей и гости: 13

Яндекс цитирования
© 2009-2022 Volkswagen Passat B6 club - Клуб любителей Фольксваген Пассат Б6.
Размещение рекламы/письмо админу: info [собака] b6club [точка] ru