Volkswagen Passat B6 club

Клуб владельцев Фольксваген Пассат Б6         Клубные рамки

bkp не видит блок управления двигателя

bkp не видит блок управления двигателя

Сообщение oleg$$$ » 03 май 2016, 16:16

Здравствуйте помогите по bkp passat 2005г блок управления siemens , были ошибки 17669 нф 1ц , и 17671 нф 2ц.
Холодный мотор заводился хоршо , горячий хуже , троил пока не сотру ошибки , работает менуты 2 ровно потом появляютса ошибки и его опять колбасит , стираю ошибки опять ровно работает . Начал смотреть. форсы не закорочены на массу , сопротивление в норме , проводка до блока упровления была с протирами (заизолировал).
Достал б у сверху окислен , немного ржавчины , ну думаю внутри сырой вскрыл сухо , чисто . Собрал все , зажигание , комп не видит блока управления двигателя.
Очень надеюсь что поможите.
Может не в блоке дело как проверить ?
PASSAT B6 BKP ,, DSG6,, 2005г.
oleg$$$
Частый гость
 
Автор темы
Сообщения: 61
Зарегистрирован: 03 май 2016, 14:20

Re: bkp не видит блок управления двигателя

Сообщение pashustic » 04 май 2016, 09:23

oleg$$$
Блок как вскрывали? Я думаю повредили плату
Passat B6 1.9 TDI noDPF noEGR BLS 5МКПП
Установка доп оборудования
Корректировка одометров, прописывание, привязывание ключей запуска., удаление сажев. фильтра, отключение ЕГР в Санкт- Петербурге

VW Parts для вас
Аватара пользователя
pashustic
Модератор
 
Сообщения: 17374
Зарегистрирован: 13 июл 2011, 22:17
Откуда: Санкт-Петербург-Бобруйск

Re: bkp не видит блок управления двигателя

Сообщение pashustic » 04 май 2016, 09:23

oleg$$$
Блок как вскрывали? Я думаю повредили плату
Passat B6 1.9 TDI noDPF noEGR BLS 5МКПП
Установка доп оборудования
Корректировка одометров, прописывание, привязывание ключей запуска., удаление сажев. фильтра, отключение ЕГР в Санкт- Петербурге

VW Parts для вас
Аватара пользователя
pashustic
Модератор
 
Сообщения: 17374
Зарегистрирован: 13 июл 2011, 22:17
Откуда: Санкт-Петербург-Бобруйск

Re: bkp не видит блок управления двигателя

Сообщение oleg$$$ » 04 май 2016, 10:21

Плата на вид цела . На приборке верхнее окошко где лампы температуры , масла .. Загораютса на две секунды после включения зажигания потом тухнут . Может не в блоке дело , что может его отключать ? Реле 15 смотрел.
Буду очень признателен любым советам как выяснить проблема в блоке или нет.
PASSAT B6 BKP ,, DSG6,, 2005г.
oleg$$$
Частый гость
 
Автор темы
Сообщения: 61
Зарегистрирован: 03 май 2016, 14:20

Re: bkp не видит блок управления двигателя

Сообщение Alemania » 04 май 2016, 10:27

а вы связь блока с компутером чем определяете ?? по приборке ?
(тел. +7(982)1O2-4O-7O ) Passat B6 DSG7 1.8TSi ComfortLine 2010г
Alemania
Почетный мембер
 
Сообщения: 4382
Зарегистрирован: 12 авг 2012, 10:31
Откуда: Магнитогорск

Re: bkp не видит блок управления двигателя

Сообщение oleg$$$ » 04 май 2016, 10:38

Комп отвечает ,,нет ответа от контролера,, думаю что блок включаетса на две секунды но их для связи с компом не хватает
PASSAT B6 BKP ,, DSG6,, 2005г.
oleg$$$
Частый гость
 
Автор темы
Сообщения: 61
Зарегистрирован: 03 май 2016, 14:20

Re: bkp не видит блок управления двигателя

Сообщение pashustic » 04 май 2016, 10:42

oleg$$$
Если зажигания нет то капать в сторону 15 клеммы
Passat B6 1.9 TDI noDPF noEGR BLS 5МКПП
Установка доп оборудования
Корректировка одометров, прописывание, привязывание ключей запуска., удаление сажев. фильтра, отключение ЕГР в Санкт- Петербурге

VW Parts для вас
Аватара пользователя
pashustic
Модератор
 
Сообщения: 17374
Зарегистрирован: 13 июл 2011, 22:17
Откуда: Санкт-Петербург-Бобруйск

Re: bkp не видит блок управления двигателя

Сообщение Alemania » 04 май 2016, 11:18

oleg$$$
думаю что блок включаетса на две секунды но их для связи с компом не хватает

Сами придумали ?
Питание на разъеме блока проверьте для начала..
(тел. +7(982)1O2-4O-7O ) Passat B6 DSG7 1.8TSi ComfortLine 2010г
Alemania
Почетный мембер
 
Сообщения: 4382
Зарегистрирован: 12 авг 2012, 10:31
Откуда: Магнитогорск

Re: bkp не видит блок управления двигателя

Сообщение oleg$$$ » 04 май 2016, 12:05

Зажигание есть , тока лампочки должны ведь гореть масла ,температуры .. а они тухнут. Реле 15 менял результат тотже.
Может я и выдумываю что блок включаетса на две секунды , но разве не от блока включаютса лампы приборки..
А питание смотреть с малой колодки в блок или большой ?
PASSAT B6 BKP ,, DSG6,, 2005г.
oleg$$$
Частый гость
 
Автор темы
Сообщения: 61
Зарегистрирован: 03 май 2016, 14:20

Re: bkp не видит блок управления двигателя

Сообщение Alemania » 04 май 2016, 13:18

oleg$$$ писал(а):но разве не от блока включаютса лампы приборки..

при включении зажигания идет тест ламп. Этим занимается приборка. Через пару секунд все лампы гаснут, должны остаться Check Engine и Заряд аккумулятора. Если с блоком двигателя нет связи , то Check Engine и при тесте ламп гореть не будет.

На температуру двигателя есть прибор.

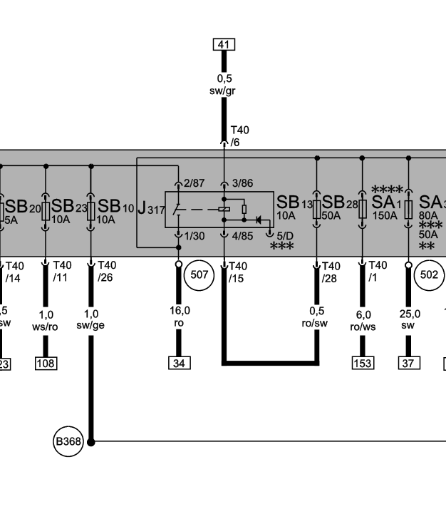
Напряжение смотреть надо на разъеме T94 ( 94 пина) контакты 3,5,6.
Чтобы на них появилось напряжение , нужно принудительно поджать реле J317 (под капотом в блоке предохранителей ). Без фото блока предохранителей точнее сказать не смогу.
(тел. +7(982)1O2-4O-7O ) Passat B6 DSG7 1.8TSi ComfortLine 2010г
Alemania
Почетный мембер
 
Сообщения: 4382
Зарегистрирован: 12 авг 2012, 10:31
Откуда: Магнитогорск

Re: bkp не видит блок управления двигателя

Сообщение oleg$$$ » 04 май 2016, 14:20

Не знаю пока как фото вставить , на блоке предохранителей реле ,,458,, и рядом гнездо под реле с заводской перемычкой . J317 это и есть 458 реле ?
PASSAT B6 BKP ,, DSG6,, 2005г.
oleg$$$
Частый гость
 
Автор темы
Сообщения: 61
Зарегистрирован: 03 май 2016, 14:20

Re: bkp не видит блок управления двигателя

Сообщение Alemania » 04 май 2016, 14:31

да..это оно и есть.
(тел. +7(982)1O2-4O-7O ) Passat B6 DSG7 1.8TSi ComfortLine 2010г
Alemania
Почетный мембер
 
Сообщения: 4382
Зарегистрирован: 12 авг 2012, 10:31
Откуда: Магнитогорск

Re: bkp не видит блок управления двигателя

Сообщение Alemania » 04 май 2016, 14:36

ну и после включения зажигания на Т94\18 должно приходить 12 вольт


P.S. сразу не подумал, при проверке напряжения, массу лучше брать тоже с разъема Т94\1,2,4. чтобы убедиться что масса тоже на разъем приходит
(тел. +7(982)1O2-4O-7O ) Passat B6 DSG7 1.8TSi ComfortLine 2010г
Alemania
Почетный мембер
 
Сообщения: 4382
Зарегистрирован: 12 авг 2012, 10:31
Откуда: Магнитогорск

Re: bkp не видит блок управления двигателя

Сообщение oleg$$$ » 04 май 2016, 15:11

Alemania спасибо огромное ..
Поджал J317 , заработал блок управления .Почему реле само включатса не хочет ?
PASSAT B6 BKP ,, DSG6,, 2005г.
oleg$$$
Частый гость
 
Автор темы
Сообщения: 61
Зарегистрирован: 03 май 2016, 14:20

Re: bkp не видит блок управления двигателя

Сообщение Alemania » 04 май 2016, 18:17

предохранитель сгоревший. Там же под капотом ищи. Конкретный номер завтра смогу посмотреть.
(тел. +7(982)1O2-4O-7O ) Passat B6 DSG7 1.8TSi ComfortLine 2010г
Alemania
Почетный мембер
 
Сообщения: 4382
Зарегистрирован: 12 авг 2012, 10:31
Откуда: Магнитогорск

Re: bkp не видит блок управления двигателя

Сообщение Alemania » 04 май 2016, 18:26

Или реле сгорело или предохранитель SB 13.

P.S. еще один вариант это все таки при включении зажигания напруга не приходит. предохранитель SC10 (слева в торпеде ) проверить.
(тел. +7(982)1O2-4O-7O ) Passat B6 DSG7 1.8TSi ComfortLine 2010г
Alemania
Почетный мембер
 
Сообщения: 4382
Зарегистрирован: 12 авг 2012, 10:31
Откуда: Магнитогорск

Re: bkp не видит блок управления двигателя

Сообщение oleg$$$ » 04 май 2016, 19:14

На блок упровления приходит и + 3,5,6 и минус 1,2,4 как вы сказали после поджатия реле , 18 есть сразу после включения зажигания , предохранители целы , реле на вид как новое катушка 80 ом , включатса так и не хочет
На 10 предохранителе в торпеде 12 в.
PASSAT B6 BKP ,, DSG6,, 2005г.
oleg$$$
Частый гость
 
Автор темы
Сообщения: 61
Зарегистрирован: 03 май 2016, 14:20

Re: bkp не видит блок управления двигателя

Сообщение Alemania » 04 май 2016, 19:33

Ну тогда берем контрольную лампочку или вольтметр и смотрим напряжение.
1. вытаскиваем SB13 и убеждаемся что в гнезде на одну ногу приходит напряжение.
если приходит - вставляем пред на место

2. Вытаскиваем реле J317 и убеждаемся что в гнездо (куда вставляется нога реле 4/85) приходит напряжение.

если приходит, то..проверяем что с гнезда реле (куда вставляется ножка реле 3/86) есть связь до разьема блока двигателя Т94/49.
Если и эта связь есть...то хреново, Значит блок двигателя запрещает включать реле J317.
Скан диагностики нуно.


J317.PNG
(тел. +7(982)1O2-4O-7O ) Passat B6 DSG7 1.8TSi ComfortLine 2010г
Alemania
Почетный мембер
 
Сообщения: 4382
Зарегистрирован: 12 авг 2012, 10:31
Откуда: Магнитогорск

Re: bkp не видит блок управления двигателя

Сообщение oleg$$$ » 04 май 2016, 20:01

В предохранитель SB13 приходит 12 вольт , а в разьеме под реле в гнезде 85 ножки ноль
Можно ли кинуть провод от ножки SB13 на 85 клему разьема ?
PASSAT B6 BKP ,, DSG6,, 2005г.
oleg$$$
Частый гость
 
Автор темы
Сообщения: 61
Зарегистрирован: 03 май 2016, 14:20

Re: bkp не видит блок управления двигателя

Сообщение Alemania » 04 май 2016, 20:36

ну почему бы и нет. по факту там перемычка итак должна быть. может все таки поменять предохранитель ?????
(тел. +7(982)1O2-4O-7O ) Passat B6 DSG7 1.8TSi ComfortLine 2010г
Alemania
Почетный мембер
 
Сообщения: 4382
Зарегистрирован: 12 авг 2012, 10:31
Откуда: Магнитогорск

Re: bkp не видит блок управления двигателя

Сообщение oleg$$$ » 04 май 2016, 21:21

Кинул провод от ножки предохранителя SB13 на ножку 58 реле , 12в есть без зажигания и при включеном ,убираю провод ноль с зажиганием и без , то есть прямого контакта между предохранителем и ножкой 58 реле нет .
Может всетаки реле умерло ?
PASSAT B6 BKP ,, DSG6,, 2005г.
oleg$$$
Частый гость
 
Автор темы
Сообщения: 61
Зарегистрирован: 03 май 2016, 14:20

Re: bkp не видит блок управления двигателя

Сообщение Alemania » 04 май 2016, 21:27

с перемычкой реле срабатывает при включении зажигания ??
Реле то просто проверить. Реле вытащить ...нога 85 на плюс, нога 86 - на минус..Щелкает не щелкает.
(тел. +7(982)1O2-4O-7O ) Passat B6 DSG7 1.8TSi ComfortLine 2010г
Alemania
Почетный мембер
 
Сообщения: 4382
Зарегистрирован: 12 авг 2012, 10:31
Откуда: Магнитогорск

Re: bkp не видит блок управления двигателя

Сообщение Alemania » 04 май 2016, 21:31

Я же схему скинул.
на 34 приходит плюс с аккумулятора, дальше через предохранитель SB13 напряжение поступает на ножку 85 реле. Массу для реле (ножка 86) делает блок двигателя.
(тел. +7(982)1O2-4O-7O ) Passat B6 DSG7 1.8TSi ComfortLine 2010г
Alemania
Почетный мембер
 
Сообщения: 4382
Зарегистрирован: 12 авг 2012, 10:31
Откуда: Магнитогорск

Re: bkp не видит блок управления двигателя

Сообщение 1gdm » 04 май 2016, 21:33

oleg$$$ писал(а):Кинул провод от ножки предохранителя SB13 на ножку 58 реле , 12в есть без зажигания и при включеном ,убираю провод ноль с зажиганием и без , то есть прямого контакта между предохранителем и ножкой 58 реле нет .
Может всетаки реле умерло ?

Надеюсь,что это вас не оскорбит: у реле есть управляющее питание и ведомое. При отсутствии тока управления,катушка реле работать не будет.
Passat B7 limousine , C L L A 2.0/EA189/,210 hp/420Nm,bi-xenon, DSG-6/dq250/
Аватара пользователя
1gdm
Папа Юра
 
Сообщения: 6026
Зарегистрирован: 10 мар 2014, 22:00
Откуда: г.Москва

Re: bkp не видит блок управления двигателя

Сообщение oleg$$$ » 04 май 2016, 21:49

Реле щелкает когда напрямую , а минуса под 86 ножкой нет внем может дело ?
Спасибо за подробные разяснения , дальше получаетса от блока минус нужно искать ?
PASSAT B6 BKP ,, DSG6,, 2005г.
oleg$$$
Частый гость
 
Автор темы
Сообщения: 61
Зарегистрирован: 03 май 2016, 14:20

След.

Вернуться в Электрика

Кто сейчас на конференции

Сейчас этот форум просматривают: нет зарегистрированных пользователей и гости: 7

Яндекс цитирования
© 2009-2022 Volkswagen Passat B6 club - Клуб любителей Фольксваген Пассат Б6.
Размещение рекламы/письмо админу: info [собака] b6club [точка] ru